Тренажеры для обучения персонала действиям по плану локализации и ликвидации аварийных ситуаций
Назначение
Компьютерные тренажеры по плану локализации и ликвидации аварийных ситуаций (ПЛАС) предназначены для организации обучения, поддержания и развития навыков оперативного персонала по предотвращению и ликвидации аварийных ситуаций в соответствии с ПЛАС, действующим на технологических установках опасных производственных объектов.
Цели
- Проведение подготовки оперативного персонала в различных формах:
- начальное обучение и ознакомление с возможными сценариями возникновения аварийных ситуаций и их развития
- поддержание навыков действий по ПЛАС (экзамен)
- Повышение скорости реагирования на аварийные ситуации с выработкой навыков безошибочных действий по ПЛАС
- Повышение психологической устойчивости персонала при действиях в нештатных ситуациях
- Повышение уровня безопасности, надежности, безотказности работы оборудования, сохранности имущества, здоровья и жизни персонала
- Проверка профессиональной квалификации оперативного персонала (тестирование).
Области применения
Законодательством РФ установлены определения опасных производственных объектов, для которых должен быть разработан ПЛАС, основывающийся на сценариях возникновения аварийных ситуаций, постадийном анализе их развития и анализе действий производственного персонала по локализации и ликвидации аварийных ситуаций.
На базе данного решения могут быть созданы тренажёры для промышленности, включая нефтяную, газовую, нефтехимическую промышленности и т.д. Объектами управления могут быть нефтеперерабатывающие установки, нефте- и газохранилища, парки ГСМ, топливозаправочные комплексы и т.д.
Функции тренажеров по ПЛАС
Компьютерный тренажер по ПЛАС представляет собой программно-вычислительный комплекс, выполненный на базе КТК «ТРОПА». Содержит сценарии оперативной части «Плана ликвидации аварии» для технологической установки и обеспечивает выполнение действий по локализации и ликвидации конкретной аварийной ситуации.
В компьютерном тренажере имитируются реальные средства управления (функциональные клавиатуры, графические экранные формы, технологические мнемосхемы и т.д.), что обеспечивает идентичность с промышленным автоматизированным рабочим местом (АРМ) оператора.
Основные функции:
- Моделирование работы технологического оборудования
- Моделирование работы программно-логических контроллеров
- Моделирование работы SCADA-системы
- Фиксация действий оператора
- Оценка правильности действий оператора
- Формирование протоколов проверки знаний операторов.
Принципы работы тренажера по ПЛАС
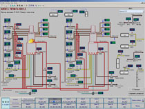
Каждой аварийной ситуации соответствует определенный видеокадр. Видеокадр представляет собой часть технологической схемы с функциональной схемой автоматизации объекта.
На видеокадрах аварийной ситуации реализованы функции управления технологическим объектом: открытие и закрытие ручной арматуры и отсечных клапанов, включение и отключение насосов, АВО, электродегидраторов, управление регулирующими клапанами. Действия обучаемого по ликвидации аварийной ситуации отображаются на мнемосхеме.
Выбор аварийной ситуации (упражнения) осуществляется с рабочего стола, расположенного в нижней части видеокадра.
В компьютерном тренажере имитируются реальные средства управления технологическим процессом, что обеспечивает идентичность с промышленным автоматизированным рабочим местом (АРМ) оператора. Конкретные средства управления оборудованием вызываются на видеокадр. Все управляющие действия фиксируются.
При обучении оператор имеет возможность сравнивать свои действия по ликвидации аварийной ситуации с правильными действиями в соответствии со сценариями ПЛАС.
При экзамене все действия, выполняемые оператором, фиксируются в протоколе с указанием его фамилии и даты проведения проверки знаний и сохраняются в архиве.
Обучающий тренажер может устанавливаться как непосредственно в операторных, так и в классах обучения. Установка тренажера в операторных позволяет эксплуатационному персоналу проводить обучение и закрепление знаний непосредственно на рабочем месте с последующей аттестацией его знаний в классах обучения. Обучающая система может быть реализована в виде отдельных рабочих мест, функционирующих независимо друг от друга, или объединена в общую локальную сеть по принципу преподаватель-обучающийся. Владелец обучающей системы при необходимости может самостоятельно вносить в нее изменения, например, при внесении изменений в ПЛАС с помощью генератора системы.
Практика применения КТК по ПЛАС показала, что организация тренировок значительно повышает готовность оперативного персонала технологических установок к эффективной ликвидации аварийных ситуаций.










